Replacement Parts For A0112-CA

Replacement Parts For A0112-CA
Replacement Parts For A0112-CA Replacement Parts For A0112-CA
Order Replacement Parts
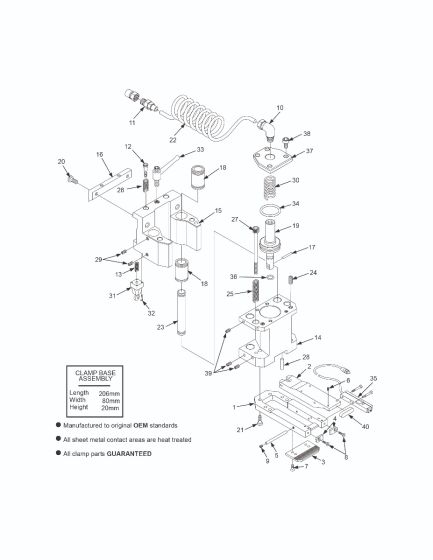
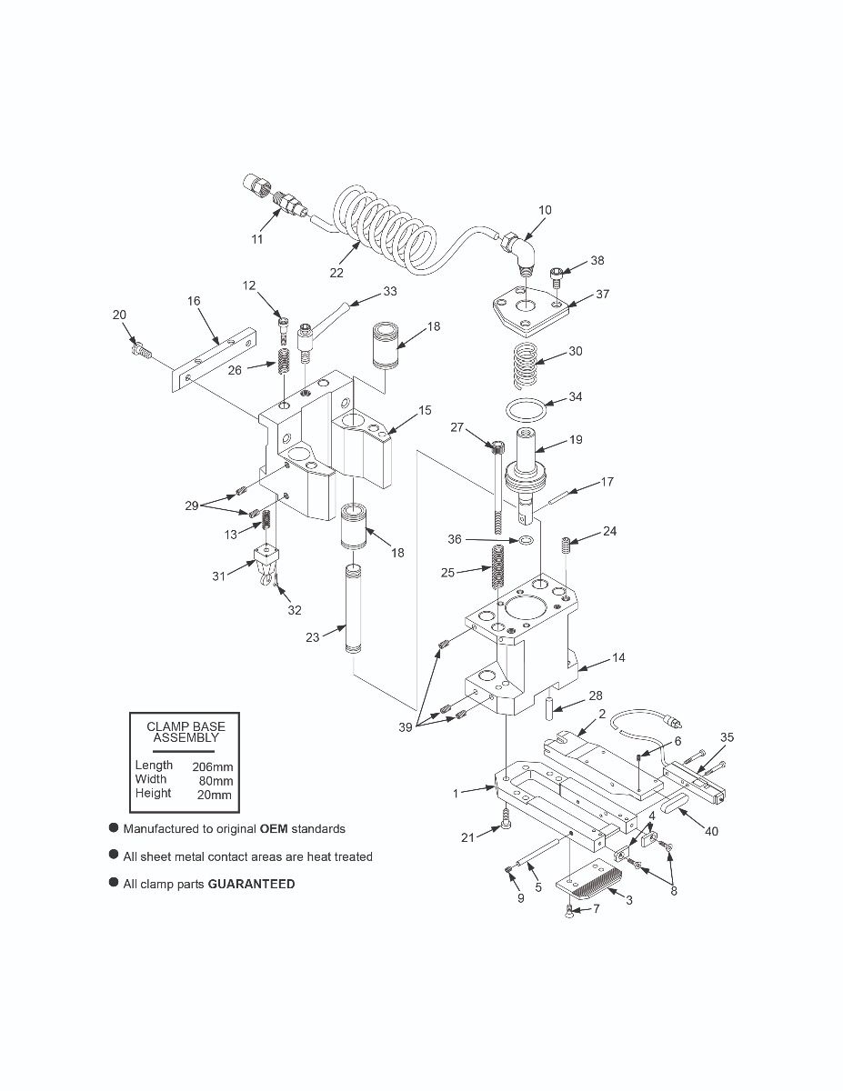
Illustration # Part # Product Description Qty
1 A0112-CA
Complete Clamp Assembly-Laser 10mm

Amada # 71398368 / 1662495

Disponibilidad:
No está disponible
USD 1,475.00
1 A0210-CBA
Clamp Base Assembly-Laser 10MM

Amada # 74398083 / 1662497a+98b+99a

Disponibilidad:
19 En existencias
USD 525.00
1 A0310-B
Clamp Base Laser

Amada # 71398369 / 1662497

Disponibilidad:
20+ En existencias
USD 299.00
2 A0410-CL
Clamper Laser

Amada # 71368472 / 1662498

Disponibilidad:
20+ En existencias
USD 209.00
3 A0501-CP
Clamp Plate

Amada # 74161354 / 816025


Amada # 826235

Disponibilidad:
20+ En existencias
USD 26.00
4 A0605-SP
Stopper Plate-Laser

Stopper Plate-Laser

Disponibilidad:
20+ En existencias
USD 30.00
5 A0794
Straight Pin M6 X 60

Amada # 74571118 / 826285

Disponibilidad:
20+ En existencias
USD 1.50
6 A0830
Set Screw M5x6 Pkg of 10 (For Clamper Tip)

Set Screw cup M5 X 6 Pkg of 10

Disponibilidad:
20+ En existencias
USD 3.00
7 A0831
Screw M5x12 Pkg of 10 for Clamp Plate

Screw M5x12 Pkg 10 CP

Disponibilidad:
20+ En existencias
USD 3.00
8 A0832
Screw M4x10 Pkg of 10 for Stopper Plate

Amada # 40011066 / m4x10 / Screw M4 x 10 Pkg of 10SP

Disponibilidad:
20+ En existencias
USD 3.00
9 A0835
Set Screw M8 X 8 Each

Amada # 74722739 / p330590023

Disponibilidad:
20+ En existencias
USD 0.40
10 A4155
Male Elbow

Amada # 74169983

KQL06-02S Male Elbow

Tube Size: 6mm

1/4 inch PT

Disponibilidad:
20+ En existencias
USD 5.75
11 A4123
Male Connector

KQH06-02S Male Connector

Tube Size: 6mm

1/4 inch PT

Disponibilidad:
20+ En existencias
USD 6.90
12 A0887
Shoulder Bolt M8 X 25

p337135015 / Shoulder Bolt M8 x 25

Disponibilidad:
20+ En existencias
USD 3.00
13 A0891
Spring

Spring

Disponibilidad:
20+ En existencias
USD 3.00
14 A0874A
Clamp Body-Piston Side Pneumatic Laser

Body-Piston Side Pneumatic Laser

Disponibilidad:
No está disponible
USD 499.00
15 A0879
Clamp Body-Dove Tail Side New

Amada # 74335806 / 826181a

Disponibilidad:
20+ En existencias
USD 499.00
16 A0881
Dove Tail Plate

Amada # 74165903 / 816004

Disponibilidad:
20+ En existencias
USD 44.00
17 A0882
Pin-Pneumatic Piston

p337020028 / Pin for Pneumatic Piston

Disponibilidad:
20+ En existencias
USD 1.00
18 A0862
Linear Bearing

Linear Bearing ST16B

Disponibilidad:
20+ En existencias
USD 24.99
19 A0622
Clamp Piston

AMADA # 843907 / 71135020

Disponibilidad:
No está disponible
USD 375.00
20 A0875
Bolt

Amada # 74165904 / 816005

Disponibilidad:
20+ En existencias
USD 9.90
21 A0895
Bolt M8 X 25

Amada # 36147516 / screw SHCS M8x25

Disponibilidad:
20+ En existencias
USD 1.00
22 A0876
Clamp Coil Tubing

Clamp Coil Tubing

Disponibilidad:
20+ En existencias
USD 18.00
23 A0898
Rod 16mm x 120 mm

Rod 16mm x 120mm

Disponibilidad:
20+ En existencias
USD 18.00
24 A0820
M10 x 25 Dog End Set Screw

52332269 / P330570035

Disponibilidad:
20+ En existencias
USD 3.00
25 A0877
Hanging Spring

Amada # 74390105 / 826218

Disponibilidad:
20+ En existencias
USD 5.00
26 A0888
Spring

Amada # 74165905 / 816006

Disponibilidad:
20+ En existencias
USD 3.00
27 A0902
Screw SHCS M6 X 100MM

Amada # 90106100 / M6 X 100

Disponibilidad:
20+ En existencias
USD 1.00
28 A0966
Dowel Pin

Amada # 74377352

Disponibilidad:
20+ En existencias
USD 3.00
29 A0831e
Screw M4 X .7 x 6 Pkg of 10

Set Screw cup M4 X .7 x 6

Disponibilidad:
20+ En existencias
USD 1.90
30 A0846a
Cylinder Spring

Cylinder Spring laser

Disponibilidad:
20+ En existencias
USD 19.00
31 A0871
Head NOTE: Include 4 M4 x 20 Bolts

6wph200-1 / Amada # 74163416

Disponibilidad:
20+ En existencias
USD 41.00
32 A0890
Soc Cap Bolt M4 X 20 PKG OF 10

Soc Cap Bolt M4 X 20 PKG OF 10

Disponibilidad:
16 En existencias
USD 3.00
33 A0812
Clamp Lever (Steel) 12MM

Clamp Lever Assembly - 12MM
Amada # 806075

Disponibilidad:
20+ En existencias
USD 29.00
34 A9234
O-Ring P-50A

O-Ring P-50A

Disponibilidad:
20+ En existencias
USD 1.50
35 A0855A
Sheet Sensor (For Auto Loader)

Amada # 74161252 / 8635270D

Disponibilidad:
20+ En existencias
USD 165.00
36 A9222
O-Ring P-16

Amada # 900014016

Disponibilidad:
20+ En existencias
USD 0.75
37 A0878
Cylinder Cap

Amada # 74303522 / 826188

Disponibilidad:
20+ En existencias
USD 150.00
38 A0839k
Socket Cap Screw-M6 x 12 Pkg of 10

Socket Cap Screw-M6 x 12 PKG OF 10

Disponibilidad:
14 En existencias
USD 2.90
39 A0889a
Set Screw M6 X 6 (PKG of 10)

Set Screw M6 X 6 PKG of 10

Disponibilidad:
15 En existencias
USD 3.00
40 A0850
Urethane Boot - For Clamper Tip

Urethne Boot - For Clmper Tp 1

Disponibilidad:
20+ En existencias
USD 25.00
Request Quote

Ask a Question?

Descripción / Replacement Parts For A0112-CA

Replacement Parts For A0112-CA

71398368 / 1662495
Write Your Own Review
Estás revisando: Replacement Parts For A0112-CA
loader
Loading...

Enviaste tu opinión para moderación.

Need a Quote?

WhatsApp Chat WhatsApp Chat